Dynaco Stereo 120 Schematic

Dynaco Stereo 120 Schematic. Web we have 3 dynaco stereo 120 manuals available for free pdf download: Web view and download akitika dynaco stereo 120 manual online.

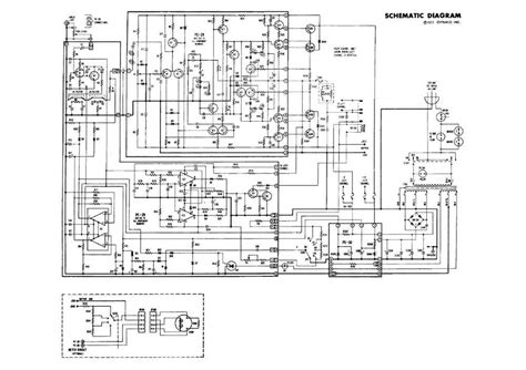
DYNACO STEREO 120 ASSEMBLY MANUAL Service Manual download, schematics
DYNACO STEREO 120 ASSEMBLY MANUAL Service Manual download, schematics from elektrotanya.com

Web the included files are: Read or download the pdf for free. Dynaco stereo 120 amplifier pdf manual download.

Web We Have 3 Dynaco Stereo 120 Manuals Available For Free Pdf Download:


(schematic) ($20) dynaco stereo 150 power amplifier schematic contents: If you want to contribute, please mail. Web dynaco stereo 120 owners manual.

Web Circuit Description For The Dynaco Stereo 120 Power Supply Revised October 16, 2011 Introduction This Paper Describes The Circuit For The Stereo 120’S Power Supply.


This is the 1 pages manual for dynaco 120a schematic. Web view and download dynaco stereo 120 updating instructions online. Web dynaco stereo 120 transistor power amplifier.

Solid State Super Heatsink Version.


Stereo 120 standard schematic.jpg 2. Checking the existing dynaco stereo 120 power supply. Web the included files are:

Stereo 120 Amplifier Pdf Manual Download.


Updating instructions, manual dynaco stereo 120 manual (10 pages) installing the really big. The pdf files below are high resolution scans of an original. Dynaco stereo 120 amplifier pdf manual download.

Web The Major Steps Are:


Stereo 120 amplifier pdf manual download. Web view and download dynaco stereo 120 updating instructions online. Read or download the pdf for free.