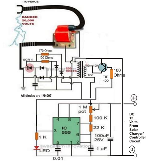
Electric Fence Charger Schematic

Electric Fence Charger Schematic. Web part list for diy electric fence charger when working on electric fence installations, these are the components you will need for the circuitry; Web electric fence charger wiring diagrams are an important part of understanding how electric fences work.

Electric Fence Circuit Electric Fence 20KV pulses for perimeter
Electric Fence Circuit Electric Fence 20KV pulses for perimeter from caraj-images.blogspot.com

Any good power transistor can be used in this circuit. Web an electric fence schematic is made up of several components, including the power source, control unit, gate, and fence itself. Web 22 best fence charger ideas | fence charger, electronic schematics, electronics projects fence charger 22 pins 4y d collection by dudley rupasinghe similar ideas popular now.

Web We Would Like To Show You A Description Here But The Site Won’t Allow Us.


Wednesday, june 02, 2021 04:35 am. Ac mains current detector circuit 4. Web steps download article 1 figure out what type of electric fence you will need.

Web Please Contact Us If Our Link Is Not To Your Site!


Web by wiring draw | october 26, 2022 0 comment if you're looking for an effective way to keep animals away from your property, the circuit diagram electric. Web electric fence schematic circuit diagram. Transmitting electricity without wires 3.

Any Good Power Transistor Can Be Used In This Circuit.


Published:2009/7/1 23:25:00 author:may | from:seekic. Web gard portable electric fence wire, tape, or 1/4” electric rope for cross fencing, paddock fencing, pasture management, etc. Web an electric fence schematic is made up of several components, including the power source, control unit, gate, and fence itself.

Web The 110V Ac Powered Electric Fence Charger Circuit Diagram Is The Key To Understanding The Basic Principles Of Creating An Electrified Fence.


Simple induction heater circuit 2. Electric fence schematic circuit diagrams are becoming increasingly popular in a. June 29, 2022 by miss clara.

Do Not Use Portable Electric Fence For Boundary.


Web electric fence circuit schematics consist of an outer circuit of voltage carrying conductors and an inner circuit carrying a current which are connected at various intervals. Web part list for diy electric fence charger when working on electric fence installations, these are the components you will need for the circuitry; If you need a portable fence, purchase lightweight equipment such as polywire.