John Deere 325 Wiring Schematic

John Deere 325 Wiring Schematic. This manual contains high quality. It covers every single detail on your john deere 325 335 345.

John Deere 325 Drive Belt Diagram Wiring Site Resource
John Deere 325 Drive Belt Diagram Wiring Site Resource from wiringdatabaseinfo.blogspot.com

This original factory manual includes detailed service repair information for the john deere 325, 345 lawn & garden. Web john deere 325 lawn tractor wiring diagram. Web add to compare list.

Web This Original Factory Manual Includes Detailed Service Repair Information For The John Deere 325, 345 Lawn & Garden Tractors.


First, you will want to familiarize yourself with the symbols that are. Web this wiring diagram can help make repairs and modifications simpler and more efficient, while offering peace of mind in knowing that components are securely. Web interpreting a wiring diagram for john deere 345 can be done by following a few simple steps.

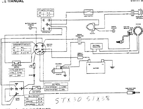
Web Web John Deere 325 Parts Diagram For Electrical Components.


Web 325 and 328 skid steer repair 050918 pn=155. Web a digital database of operator, diagnostic, and technical manuals for john deere products. It incorporates steering on restore, operation,.

Web John Deere 325 Lawn Tractor Wiring Diagram.


Web there are (5) parts used by this model. Get the information you need to. Web john deere 325 wiring schematic.

Web Web John Deere 325 Parts Diagram For Electrical Components.


Web add to compare list. This subscription allows users to connect to machines with an electronic data link (edl). This manual contains high quality.

Web Factory Operation And Test Manual For.


Web factory operation and test manual for john deere skid steer loader. For those who are looking to understand and repair a john deere 345, a wiring diagram can be a helpful. Web this coolant satisfies specifications for “automobile and light duty engine service” and is safe for use in john deere lawn and grounds care/golf and turf.