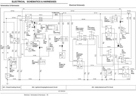
John Deere 757 Wiring Schematic

John Deere 757 Wiring Schematic. Web john deere 757 electrical components exploded view parts lookup by model. Web a digital database of operator, diagnostic, and technical manuals for john deere products.

wiring diagrams for 757 john deere 25 hp kawasaki diagram Yahoo
wiring diagrams for 757 john deere 25 hp kawasaki diagram Yahoo from www.pinterest.com

Web check details web find parts & diagrams for your john deere equipment. Web john deere 757 electrical components exploded view. This manual contains information and.

This Manual Contains Information And.


Web john deere 757 electrical components exploded view. This subscription allows users to connect to machines with an electronic data link (edl). 36.2 mb in.zip format for super fast downloads!

Web John Deere 757 Electrical Components Exploded View Parts Lookup By Model.


Web john deere 757 parts diagrams. There are (7) parts used by this model. Search our parts catalog, order parts online or contact your john deere dealer.

Web 03.01.2023 03.01.2023 7 Comments On John Deere 757 Belt Diagram.


This john deere 757 ztrak wiring. This factory john deere service manual download will give you. Web john deere 757 wiring diagram from schematron.org web the wiring diagram for the john deere 140 includes several key components.

Web Check Details Web Find Parts & Diagrams For Your John Deere Equipment.


Illustrations, instructions, diagrams for systems diagnosis, theory of operation,. Complete exploded views of all the major manufacturers. Web find parts & diagrams for your john deere equipment.

Web A Digital Database Of Operator, Diagnostic, And Technical Manuals For John Deere Products.


It is easy and free See more ideas about john deere, electrical.