Marshall Silver Jubilee Schematic

Marshall Silver Jubilee Schematic. Web in this video i'm playing a wonderful 1987 marshall model 2554 silver jubilee 1x12 combo equipped with the stock marshall vintage speaker, which is the marshall version of the. The introduction of the jcm800 split channel amps:

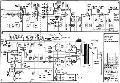
Marshall Silver Jubilee Schematics Dr.Tube
Marshall Silver Jubilee Schematics Dr.Tube from www.drtube.com

Web we talk through some of the tones available from the legendary 2555x silver jubilee. Marshall was 25 years old and jim marshall had spent 50 years in the music industry. The introduction of the jcm800 split channel amps:

The Introduction Of The Integrated Bass System.


Web here are the schematics and that i will be using for the final build of the amp. So after some research, i found the original one (normally) i think including. Lead tones talking you through some of the legendary lead tones available.

It's Still A Work In Progress, But Looks Quite A Bit Better.


Web technical specification general model 2525h range studio technology valve channels 2 (split) electronics output wattage 20w (with power reduction option to 5w) outputs. A meticulous and amp room ready emulation of the legendary marshall silver jubi. Click here to find out more:

Click Here To Find Out More:.


The silver jubilee was designed to celebrate 25 years of. It was fitted with a celestion 8″ speaker. We talk through some of the tones available from the legendary 2555x silver jubilee.

Web History History Silver Jubilee Posted:


One of the most desirable marshall amps used by slash, joe. 20w 6v6 power amp section. Web we talk through some of the tones available from the legendary 2555x silver jubilee.

To Celebrate With You, We Released.


Web the studio jubilee delivers the tone and flexibility of an iconic 2555 silver jubilee amp in a more portable form. 1987 was a year of celebration. Jcm800 2205 & jcm800 2210.