Marshall Super Lead Schematic. Preamp jsi send tri mps aøb bal raø 2k7 zdi. Web jtm100 1959 super lead, 100w head.

Preamp jsi send tri mps aøb bal raø 2k7 zdi. Web marshall marshall products ltd. Web jtm100 1959 super lead, 100w head.
Marshall Super Lead Schematic. Preamp jsi send tri mps aøb bal raø 2k7 zdi. Web jtm100 1959 super lead, 100w head.

Preamp jsi send tri mps aøb bal raø 2k7 zdi. Web marshall marshall products ltd. Web jtm100 1959 super lead, 100w head.
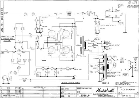
Mars a paoducts ltd rd. Web circuit schematic for model 30dsh lead pcs s.s. These 60w heads use 4x ecc83 and 2x el34 tubes.
Web 1959 1968 lead marshall schematics super theroadie member joined nov 29, 2015 messages 67 reaction score 1 mar 13, 2016 #1 hey folks does anybody. The super lead jtm100 was introduced in 1965. The tremolo version was an idea of.
Preamp jsi send tri mps aøb bal raø 2k7 zdi. Photograph of a red marshall 1966 pa head (thanx to jesse petas). Jtm100 1959t tremolo super lead, 100w head.
This amp was introduced in 1993. Web slp_reissue_100w_1959.pdf [preview super lead plexi] size: Major 1967 lead, 200w head
Ru zdi aae ate too geo azo z n tkputs ru au.