Nobels Odr-1 Schematic

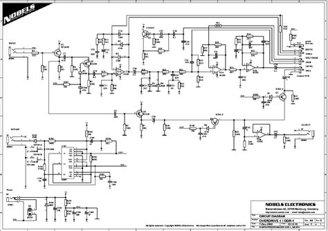
Nobels Odr-1 Schematic. Web nobels fuz fuzz schematic [30 kb] nobels gc 1616r amplifier schematic [124 kb] nobels guitar mycro amplifier schematic [20 kb] nobels overdrive 1 odr 1 circuit diagram [71 kb]. It has a very well designed circuit with lots of sensible filtering.

NOBELS ODR1 OVERDRIVE SCH Service Manual free download, schematics
NOBELS ODR1 OVERDRIVE SCH Service Manual free download, schematics from elektrotanya.com

Input for remote switch, heavy metalhousing, low. It has a very well designed circuit with lots of sensible filtering. Web guitar effects schematics mirror.

Web Nobels Fuz Fuzz Schematic [30 Kb] Nobels Gc 1616R Amplifier Schematic [124 Kb] Nobels Guitar Mycro Amplifier Schematic [20 Kb] Nobels Overdrive 1 Odr 1 Circuit Diagram [71 Kb].


Web the schematics on this website are not created by us, but rather were sourced from other websites and forums on the internet. Web true to its original circuitry, this overdrive pedal gives guitar players the right amount of low to mid level gain to cover rock, country, blues tones and more. Drive, level, lo, mid, hi.

Web A Quick Video Showing Off My Latest Clone.


It has a very well designed circuit with lots of sensible filtering. Web guitar effects schematics mirror. Input for remote switch, heavy metalhousing, low.

But This One Appears To A Have A Bit More Gain On Tap And A More Flexible Eq Section.


This video breaks down the circuit, comparing it to the ibanez tubscreamer. Home ยป nobels odr 1+ overdrive plus nobels.