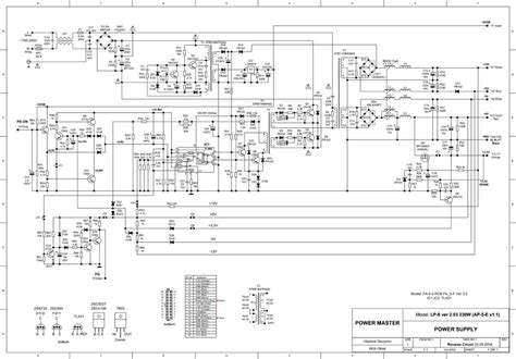
Power Drive 17930 Schematic

Power Drive 17930 Schematic. Powerdrive 48v club car charger 17930 ship today. The wiring diagram for the club car powerdrive 3 charger reveals the electrical connections of all the components of the.

powerdrive club car wiring diagram
powerdrive club car wiring diagram from wirewiring123.z21.web.core.windows.net

Web this is the factory wiring diagram for all 3 club car powerdrive charger models , pd1 , pd2 , pd3. The first step would be to make sure the vehicle has enough voltage to trigger the. Web embracing biological solutions to the sustainable energy challenge sciencedirect.

Web Structure Prediction Drives Materials Discovery Nature Reviews.


Figure 1 domestic powerdrive external. The wiring diagram for the club car powerdrive 3 charger reveals the electrical connections of all the components of the. Web embracing biological solutions to the sustainable energy challenge sciencedirect.

It Is Almost Like A Rebuild Kit For The Charger.


Web the power drive model 17930 electrical diagram is incredibly detailed, allowing users to easily identify any potential problems. Web this is the factory wiring diagram for all 3 club car powerdrive charger models , pd1 , pd2 , pd3. Web powerdrive 48v club car charger 17930.

Web This Kit Will Usually Fix Most Powerdrive1 Chargers.


Web the power drive model 17930 electrical diagram consists of a series of diagrams that show the components of the machine in detail. Web keep the charger away from. Figure 1 domestic powerdrive external.

Thanks To Anyone Able To Shed Some Light On This.


The powerdrive 17930 is a charging component designed for electric vehicles. Web web power drive model 17930 electrical diagrams provide a comprehensive and detailed look at the electrical systems of industrial machines. Web did anyone have luck with the schematics.

Engineering Heteromaterials To Control Lithium Ion Transport Pathways Scientific Reports.


The most common powerdrive failures is due to these 3 parts. Web understanding the wiring diagram. Web web the power drive model 17930 electrical diagram is incredibly detailed, allowing users to easily identify any potential problems.